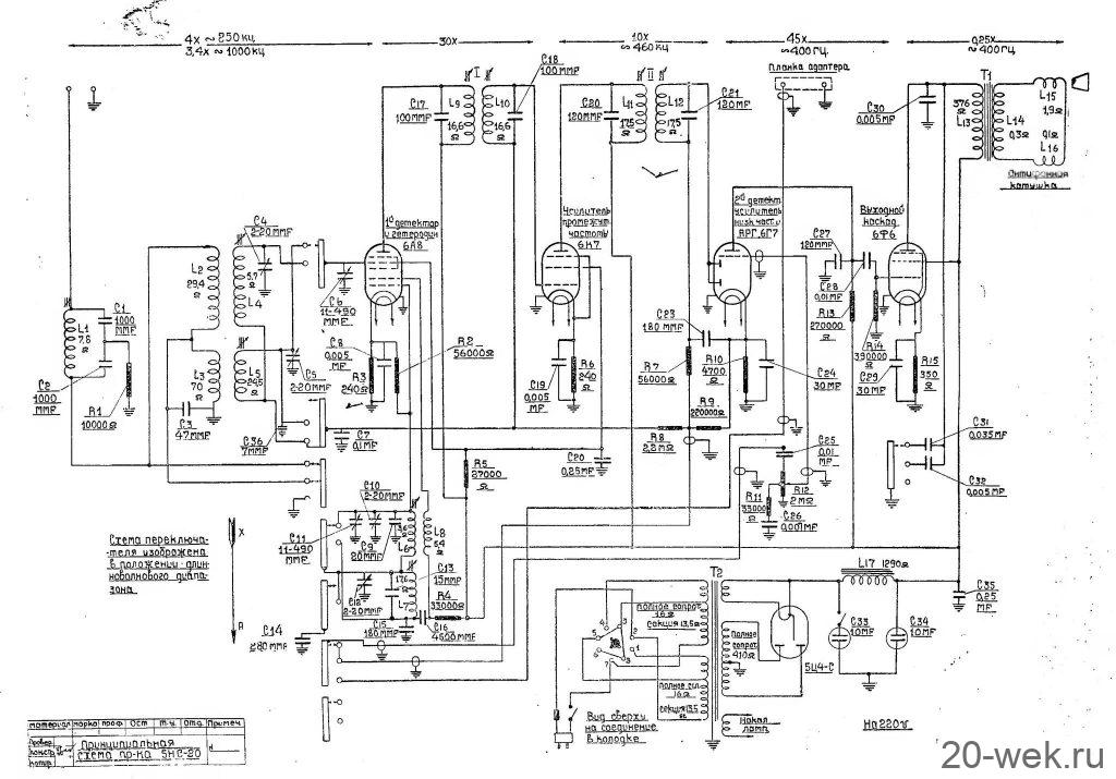
Радиоприёмник сетевой ламповый *5НС-20* с 1940 года выпускал Воронежский завод *Электросигнал*. *5НС-20* — это (5-ламповый, Настольный, Сетевой, 20-я разработка) радиоприёмник предназначеный для приёма местных и (или) дальних радиовещательных станций в диапазоне средних 187,5… 576 м (1600…520 кГц) и длинных волн 725…2000 м (415…150 кГц). В радиоприёмнике установлен электродинамический громкоговоритель. Выходная неискаженная мощность приёмника 1,5, наибольшая 4 ватта (искажения). Приёмник работает на металлических лампах: 6А8, 6К.7, 6Г7, 6Ф6 и 5Ц4 (или 5Ц4С). Мощность потребляемая от сети около 60 Вт. Радиоприёмник работает от сети переменного тока 110, 127 или 220 вольт.



